| Συνδεθείτε στην Υπηρεσία Νομοσκόπιο | | | | | Νέοι χρήστες | | Εάν είστε νέος χρήστης, θα πρέπει να δημιουργήσετε ένα ΔΩΡΕΑΝ λογαριασμό προκειμένου να φύγει το παράθυρο αυτό και να αποκτήσετε πλήρη πρόσβαση στην υπηρεσία Νομοσκόπιο. | | Δημιουργία νέου λογαριασμού | | |
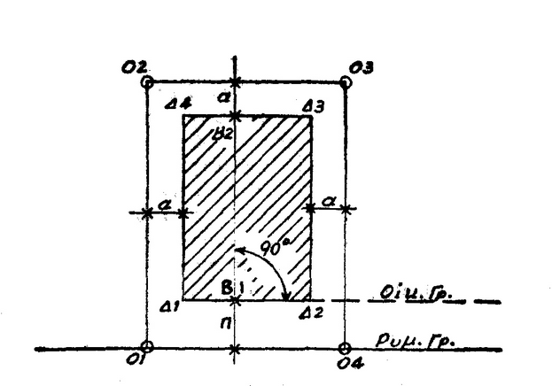
1. Οικόπεδο τι είναι άρτιο όταν έχει εμβαδόν πρόσωπον και βάθος ουχί μικρότερο αντιστοίχως από τα δι' αυτό νομίμως ισχύοντα εκ γενικής ή ειδικής διατάξεως, ελάχιστα όρια εμβαδού, προσώπου και βάθους. Ειδικώς δια οικόπεδα του ασυνεχούς ή του μικτού ή του πανταχόθεν ελευθέρου οικοδομικού συστήματος, απαιτείται επί πλέον των ανωτέρω όπως το οικοδομήσιμο τμήμα αυτών έχει εμβαδόν τουλάχιστον 40 m2, διαστάσεις δε κατά την έννοια προσώπου τε και βάθους τουλάχιστον 5 m. (Σχήματα 42, 43 και 44)

Σχήμα 42: (Ασυνεχές σύστημα) α≥2.5 m. Το οικόπεδο (Ο1 - Ο2 - Ο3 - Ο4) είναι άριο όταν και:
1. (Δ1 - Δ2 - Δ3 - Δ4) ≥ 40 m2
2. (Δ1 - Δ4) ≥ 5.00 m
3. (B1 - B3) ≥ 5.00 m

Σχήμα 43: (Μικτό σύστημα) α≥2.5 m. Το οικόπεδο (Ο1 - Ο2 - Ο3 - Ο4) είναι άριο όταν και:
1. (Δ1 - Δ2 - Δ3 - Ο4 - Δ1) ≥ 40 m2
2. (Δ1 - Δ4) ≥ 5.00 m
3. (B1 - B2) ≥ 5.00 m

Σχήμα 44: α≥2.5 m, Π≥3.00 m. Το οικόπεδο (Ο1 - Ο2 - Ο3 - Ο4 - Ο1) είναι άριο όταν και:
1. (Δ1 - Δ2 - Δ3 - Δ4 - Δ1) ≥ 40 m2
2. (Δ1 - Δ2) ≥ 5.00 m
3. (B1 - B2) ≥ 5.00 m
2. Οικόπεδο τι είναι οικοδομήσιμο όταν είναι κατά τα ανωτέρω άρτιο και επί πλέον κείται επί χώρου εφ' ου επιτρέπεται ή ανοικοδόμησις.
3. Οικόπεδο μη άρτιο και μη δυνάμενο δια τακτοποιήσεως (άρθρο 78) να καταστεί άρτιο δεν επιτρέπεται να ανοικοδομηθεί, αλλά προσκυρώνεται αναγκαστικώς εις τις γειτονικές ιδιοκτησίες.
Ωσαύτως αποκλείεται ή προ της τακτοποιήσεως ανοικοδόμησις και οικοδομήσιμου έτι, κατά τ' ανωτέρω οικοπέδου, όταν εξ οιουδήποτε λόγου απαιτείται τακτοποίησις αυτού ή τοιαύτη των ομόρων αυτού οικοπέδων, όταν εκ της ανοικοδόμησης πρόκειται να παρεμποδισθεί ή να δυσχερανθεί οπωσδήποτε ή τακτοποίησις αυτή. (Σχήμα 45)

Σχήμα 45: Τα οικόπεδα Α, Β, Γ, Δ, και αν είναι άρτια και οικοδομήσιμα δεν επιτρέπεται να οικοδομηθούν αν το οικόπεδο Ε δύναται νομίμως να καταστεί οικοδομήσιμο και δεν προηγηθεί η τακτοποίηση αυτού.
4. Από των δι' εκάστης πάλιν, κώμη κ.λ.π., οριζομένων ελαχίστων ορίων εμβαδού και διαστάσεων των οικοπέδων δύναται να επιτρέπεται παρέκκλισις δι' αποφάσεως του Υπουργού εφ' όσον πρόκειται περί ανεγέρσεως επ' αυτών εγκαταστάσεων εξυπηρετικών κοινής ανάγκης γινομένων υπό του Δημοσίου, των Δήμων ή Κοινοτήτων ή των εντολοδόχων αυτών. Τέτοιες εγκαταστάσεις είναι οι εξυπηρετούσες τον φωτισμό, την ύδρευση, τις πάσης φύσεως αυτών και την ασφάλειαν.
Εν τη περιπτώσει ταύτη, επιτρέπεται ή υπό των ιδιοκτήτων των ομόρων οικοδομών κατασκευή ανοιγμάτων επί των μεσοτοίχων των γειτονικών οικοδομών από ύψους τουλάχιστον ενός μέτρου υπέρ την ανωτάτη επιστέγαση της εγκαταστάσεως, λαμβανομένων των τυχόν αναγκαίων μέτρων ασφαλείας υπέρ των εγκαταστάσεων τούτων.
5. Δια οικόπεδα κείμενα εντός του εγκεκριμένου σχεδίου της πόλεως παραχωρηθέντα υπό του Κράτους δι' αποφάσεων ή παραχωρητηρίων αυτού, δι' οιονδήποτε λόγο και μη έχοντα κατά την δημοσίευση του παρόντος τα ελάχιστα όρια εμβαδού ή και διαστάσεων τα δια την περιοχή αυτή ισχύοντα, ορίζονται ως ελάχιστα όρια εμβαδού και διαστάσεων τα εν των αποφάσεων ή παραχωρητηρίων προκύπτοντα.
Εν περιπτώσει εμβαδού ή διαστάσεων εν τοις πράγμασι μικρότερων των στις αποφάσεις ή παραχωρητήρια αναγραφομένων, τα οικόπεδα θεωρούνται άρτια και οικοδομήσιμα εφόσον η τοιαύτη διαφορά δεν οφείλεται σε μείωση του οικοπέδου δια μεταβιβάσεων γενομένων μετά την ως άνω υπό του Κράτους παραχώρηση.
6. Γωνιαία οικόπεδα άρτια και οικοδομήσιμα, καταστάντα ή καθιστάμενα μη άρτια ως προς το εμβαδόν λόγω επιβολής στοών μετ' αποτμήσεως, θεωρούνται άρτια και οικοδομήσιμα.
7. Οικόπεδα υφιστάμενα κατά την δημοσίευση του παρόντος και έχοντα το απαιτούμενο ελάχιστο εμβαδόν αρτίων οικοπέδων, υπολειπόμενα δε κατά τη μία των διαστάσεων προσώπου ή βάθους κατά ποσοστό μέχρι 5% της ελαχίστης απαιτουμένης και μη δυνάμενα να τακτοποιηθούν, θεωρούνται οικοδομήσιμα.
Οι διατάξεις της παρούσης παραγράφου δεν έχουν εφαρμογή προκειμένου περί προσώπων οικοπέδων εχόντων πραγματικό μήκος μικρότερο των 6,00 m.