| Συνδεθείτε στην Υπηρεσία Νομοσκόπιο | | | | | Νέοι χρήστες | | Εάν είστε νέος χρήστης, θα πρέπει να δημιουργήσετε ένα ΔΩΡΕΑΝ λογαριασμό προκειμένου να φύγει το παράθυρο αυτό και να αποκτήσετε πλήρη πρόσβαση στην υπηρεσία Νομοσκόπιο. | | Δημιουργία νέου λογαριασμού | | |
1. Γενικά
Αυτοί οι τύποι δομικών στοιχείων επιτρέπεται να αναλύονται και να σχεδιάζονται σύμφωνα με τις αρχές των μεθόδων πλαστικής ανάλυσης και θλιπτήρων- ελκυστήρων υπό τις ακόλουθες προϋποθέσεις:
1) Τα δομικά στοιχεία επιτρέπεται να εξιδανικεύονται ως στατικώς ορισμένα δικτυώματα συντιθέμενα από ευθύγραμμους ιδεατούς θλιπτήρες (που μεταφέρουν τις δυνάμεις σύνθλιψης του σκυροδέματος) και ελκυστήρες (τους οπλισμούς). Οι δυνάμεις των στοιχείων του δικτυώματος προσδιορίζονται από την εξέταση της ισορροπίας. Τοποθετείται μετά επαρκής οπλισμός για να μεταφέρει τον εφελκυσμό των ελκυστήρων και γίνεται έλεγχος για να εξασφαλιστεί ότι οι τάσεις σύνθλιψης των θλιπτήρων δεν είναι υπερβολικές. Κατόπιν πρέπει να ελέγχονται οι απαιτήσεις της διάταξης των οπλισμών, με ιδιαίτερη προσοχή στην αγκύρωση όλων των οπλισμών και στις τοπικές αναπτυσσόμενες τάσεις εξ' αιτίας συγκεντρωμένων δυνάμεων.
2) Για να εξασφαλιστεί μια κατά προσέγγιση συμβατότητα, η θέση και ο προσανατολισμός των θλιπτήρων και των ελκυστήρων πρέπει να απεικονίζουν την κατανομή των εσωτερικών δυνάμεων που προκύπτουν από μια ελαστική ανάλυση του δομικού στοιχείου.
3) κατά τον έλεγχο των τάσεων του σκυροδέματος των θλιπτήρων, πρέπει να λαμβάνεται υπόψη μια πιθανή μείωση της αντοχής εξ' αιτίας εγκάρσιων τάσεων εφελκυσμού ή ρηγμάτωσης ή επίδρασης της διάτμησης. Η μέση τάση σύνθλιψης σχεδιασμού των θλιπτήρων επιτρέπεται να λαμβάνεται ως v fcd. Σε περίπτωση απουσίας άλλων δεδομένων, η τιμή του v επιτρέπεται να λαμβάνεται ίση με 0.60 συμπεριλαμβανομένου ενός περιθωρίου για τις φορτίσεις μακράς διαρκείας. Υψηλότερες τιμές του v (ακόμη και v > 1) πρέπει να αιτιολογούνται με βάση μια τριαξονική κατάσταση τάσεων σύνθλιψης, με την προϋπόθεση ότι είναι δυνατόν να αποδειχθεί ότι η επιπρόσθετη εγκάρσια σύνθλιψη μπορεί να πραγματοποιηθεί στην πράξη.
4) Η τάση σχεδιασμού των ελκυστήρων περιορίζεται σε fyd.
5) Να τηρούνται οι σχετικές κατασκευαστικές διατάξεις.
2. Βραχείς πρόβολοι
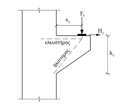
1) Οι βραχείς πρόβολοι με 0.4 hc ≤ ac ≤ hc (Σχήμα Α.1) επιτρέπεται να σχεδιάζονται με τη χρήση ενός απλού προσομοιώματος θλιπτήρα και ελκυστήρα.
2) Για περισσότερο υψίκορμους βραχείς προβόλους (ac < 0.4 hc), επιτρέπεται να εξετάζονται άλλα επαρκή προσομοιώματα θλιπτήρων και ελκυστήρων.
3) Βραχείς πρόβολοι για τους οποίους ac > hc επιτρέπεται να σχεδιάζονται ως δοκοί-πρόβολοι.
4) Ο βραχύς πρόβολος πρέπει να σχεδιάζεται για την κατακόρυφη δύναμη Fv και μια οριζόντια δύναμη Hc ≥ 0.2 Fv που δρα στην περιοχή της στήριξης, εκτός εάν υπάρχει ειδική πρόβλεψη για τον περιορισμό των οριζόντιων δυνάμεων στη στήριξη ή δίδεται άλλη αιτιολόγηση.
5) Το συνολικό ύψος (hc) του βραχέως προβόλου πρέπει να προσδιορίζεται από θεωρήσεις της διάτμησης (βλέπε Κεφάλαιο 11).
6) Πρέπει να εξετάζονται οι τοπικές επιδράσεις εξ' αιτίας του υποτεθέντος συστήματος θλιπτήρα και ελκυστήρα στο συνολικό σχεδιασμό του στηρίζοντος μέλους.

Σχήμα Α.1: Παράδειγμα βραχέως προβόλου, με προσομοίωμα θλιπτήρα - ελκυστήρα.
Πρέπει επίσης να ικανοποιούνται οι ακόλουθες κατασκευαστικές διατάξεις:
1) Ο οπλισμός που αντιστοιχεί, στον ελκυστήρα που θεωρήθηκε στο προσομοίωμα για τη διαστασιολόγηση, πρέπει να αγκυρώνεται πλήρως πέραν από τον κόμβο κάτω από την πλάκα φόρτισης, με χρήση αναβολέων ή μηχανικών στοιχείων, εκτός εάν διατίθεται μήκος lb.net μεταξύ του κόμβου και του πέρατος του κοντού προβόλου. Το μήκος lb.net πρέπει να μετράται από το σημείο όπου οι θλιπτικές τάσεις αλλάζουν διεύθυνση.
2) Σε κοντούς προβόλους με ύψος hc ≥ 300 mm , όταν η διατομή των κυρίων οριζόντιων ελκυστήρων As είναι τέτοια ώστε:
As ≥ 0.4 Ac fcd/fyd
(όπου Ac συμβολίζει την επιφάνεια σκυροδέματος στη διατομή παρειάς του κοντού προβόλου με το υποστύλωμα), τότε πρέπει να διατίθενται κλειστοί συνδετήρες με συνολική διατομή τουλάχιστον 0.4 Ac και κατανομή στο σύνολο του στατικού ύψους d, για την ανάληψη των τάσεων διάρρηξης στο θλιπτήρα σκυροδέματος. Οι συνδετήρες αυτοί μπορούν να τοποθετούνται είτε οριζόντιοι και κάθετοι (σχήμα Α.2) είτε κεκλιμένοι (σχήμα Α.3).

Σχήμα Α.2: Οπλισμός κοντού προβόλου με οριζόντιους συνδετήρες.

Σχήμα Α.3: Οπλισμός κοντού προβόλου με κεκλιμένους συνδετήρες.
3) Να διατίθεται και κατακόρυφος οπλισμός μόρφωσης των παρειών του προβόλου, που περιβάλλεται από τους συνδετήρες.
3. Υψίκορμες δοκοί
1) Οι υψίκορμες δοκοί υπό συγκεντρωμένο φορτίο επιτρέπεται να σχεδιάζονται με τη χρήση απλού προσομοιώματος θλιπτήρα και ελκυστήρα.
2) Σε ορισμένες περιπτώσεις, π.χ. μικρότεροι λόγοι ύψους προς άνοιγμα, κατανεμημένα φορτία, περισσότερα του ενός συγκεντρωμένα φορτία, επιτρέπεται να χρησιμοποιούνται προσομοιώματα που συνδυάζουν τη λειτουργία θλιπτήρα και ελκυστήρα με τη λειτουργία δικτυώματος.
3) Οι συνεχείς υψίκορμες δοκοί είναι ευαίσθητες έναντι διαφορικών καθιζήσεων. Πρέπει κατά συνέπεια να εξετάζεται μια περιοχή τιμών των αντιδράσεων των στηρίξεων που αντιστοιχεί σε πιθανές καθιζήσεις.
Πρέπει επίσης να ικανοποιούνται και οι ακόλουθες κατασκευαστικές διατάξεις.
1) Οι οπλισμοί που αντιστοιχούν στους ελκυστήρες που θεωρήθηκαν στο προσομοίωμα για τη διαστασιολόγηση πρέπει να αγκυρώνονται πλήρως πέραν από τους κόμβους, με κάμψη των ράβδων ή με χρήση αναβολέων ή μηχανικών στοιχείων, εκτός εάν διατίθεται επαρκές μήκος μεταξύ του κόμβου και του πέρατος της δοκού που να επιτρέπει μήκος αγκύρωσης lb.net.
2) Οι υψίκορμες δοκοί πρέπει κανονικά να διαθέτουν κατανεμημένους οπλισμούς κοντά στις δύο πλευρικές επιφάνειες (συνδεδεμένους με εγκάρσιους συνδέσμους), ο καθένας από τους οποίους πρέπει να είναι ισοδύναμος με ορθογωνικό πλέγμα με ποσοστό οπλισμού 0.15% και στις δύο διευθύνσεις.