| Συνδεθείτε στην Υπηρεσία Νομοσκόπιο | | | | | Νέοι χρήστες | | Εάν είστε νέος χρήστης, θα πρέπει να δημιουργήσετε ένα ΔΩΡΕΑΝ λογαριασμό προκειμένου να φύγει το παράθυρο αυτό και να αποκτήσετε πλήρη πρόσβαση στην υπηρεσία Νομοσκόπιο. | | Δημιουργία νέου λογαριασμού | | |
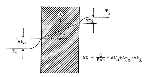
Δια την εκτίμησιν της θερμομονώσεως ενός στοιχείου κατασκευής επαρκεί ο υπολογισμός της αντιστάσεως θερμοδιαφυγής 1/Λ. Δια τον υπολογισμό της εγκαταστάσεως θερμάνσεως και δια έρευνες οικονομικές απαιτείται ο συντελεστής θερμοπερατότητας k. Η απεικόνιση της θερμοκρασιακής μεταβολής εντός στοιχείου κατασκευής παρίσταται εις τα Σχήματα 1 και 2.
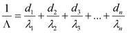
Η αντίστασις θερμοδιαφυγής 1/Λ ενός στοιχείου κατασκευής υπολογίζεται από τα πάχη d εις μέτρα των στρώσεων των υλικών και τους αντιστοίχους συντελεστές θερμικής αγωγιμότητας λ εις kcal/m h °C ή W/m k:
σε m2 h °C / kcal ή m2 K/W
Η αντίστασις θερμοπερατότητας 1/k υπολογίζεται ως άθροισμα των αντιστάσεων θερμικής μεταβάσεως προς τον αέρα και της αντιστάσεως θερμοδιαφυγής:

Οι συντελεστές θερμικής μεταβάσεως εις τον αέρα αi και αα δίδονται εις τον Πίνακα 3.

Σχήμα 1: Θερμοκρασιακή μεταβολή εντός στοιχείου κατασκευής

Σχήμα 2
Ορθή σειρά κατασκευής μονωμένου τοίχου
α) κατασκευή τοιχώματος 2
β) επίστρωσις φράγματος υδρατμών επί του 2
γ) επικόλλησις θερμικής μονώσεως Θ
δ) κατασκευή τοιχώματος 1
Πίνακας 3: Συντελεστές θερμικής μεταβάσεως και αντίστασις θερμικής μεταβάσεως
|
kcal/m2 h °C
|
W/m2K
|
m2h °C/kcal
|
m2K/W
|
Στις εσωτερικές πλευράς κλειστών χώρων με φυσική κίνηση αέρος
|
|
|
|
|
Επιφάνειες τοίχων, εσωτερικά παράθυρα, εξωτερικά παράθυρα
|
αi=7
|
αi=8,14
|
1/αi=0,14
|
1/αi=0,12
|
Δάπεδα και οροφές εις περίπτωσιν θερμικής μεταβάσεως από:
|
|
|
|
|
κάτω προς τα άνω
|
αi=7
|
αi=8,14
|
1/αi=0,14
|
1/αi=0,12
|
άνω προς τα κάτω
|
αi=5
|
αi=5,81
|
1/αi=0,20
|
1/αi=0,17
|
Στις εξωτερικές πλευρές με μέση ταχύτητα ανέμου περίπου 2 m/s
|
αα=20
|
αα=23,26
|
1/αα=0,05
|
1/αα=0,04
|
ΣΗΜΕΙΩΣΗ: Το παρόν άρθρο καταργήθηκε με το άρθρο 18 της υπ' αριθμού οίκοθεν Δ6Β/5825/2010 υπουργικής απόφασης (ΦΕΚ 407/Δ/2010).
|